"Millitary Gamble" automatic bronze chronograph
-
- Super Lost Sheep
- Posts: 24
- Joined: January 25th, 2021, 7:11 am
- Location: Russia
"Millitary Gamble" automatic bronze chronograph
“There is no person who would be like an Island in and of itself, each person is a part of the Mainland, a part of the Land; and if a wave blows the coastal Cliff into the sea, Europe will become smaller, and so will it if it flushes the edge of the cape or destroys your Castle or your friend; the death of every Human belittles me too, because I am one with all Humanity, and therefore do not ask for whom the bell tolls: it tolls for You. "
This is the sermon of the 17th century English poet and priest John Donne, which is used on the back of our watches (in the original version), which served as an epigraph to Ernest Hemingway's novel For Whom the Bell Tolls.
The hero of this novel is an internationalist demolition specialist American Robert Jordan, who arrived in Spain in May 1937, and on instructions from the command of the Republican forces must blow up the bridge and help the offensive.
So, we fantasized a little, studied the military hours of those years, and that's what we got.
1. Bronze. It is bronze, since this metal does not give glare, and is most appropriate for use in military watches.
2. Crown and pushers at 12 o'clock. Many watches of that time were converted from pocket watches, so the crown and pushers were at 12 o'clock. Also, if you use the telemetric scale on the watch for its intended purpose, then the watch must be removed, and with this arrangement of the crown and pushers, this is the most convenient position.
3. The lugs of the watch and buckle are "sealed", and the strap is sewn directly onto the watch. The watch will be supplied on a NATO-type belt, while it will be completed with a branded bulk, and if desired, everyone can sew a belt for themselves directly on the watch. At that time, this was done so that a person could not lose a watch in extreme situations. The watch was regarded as an item of ammunition, so reliability was important in everything. With this design of fastening the belt and buckle, the watch could be lost only with the hand.
4. Separation of hour hands and chronograph hands. The hour hands are made of metal with a luminescent coating, while the chronograph hands are red. This is done so that with a cursory glance at the watch, you can immediately identify the time. Also, the chronograph launch pusher is highlighted with a red stripe to visually align with the chronograph hands.
5. Scales.
Telemetry scale - needed to measure the distance to the enemy's gun. Tachymeter scale in the center of the dial.
Now according to the characteristics.
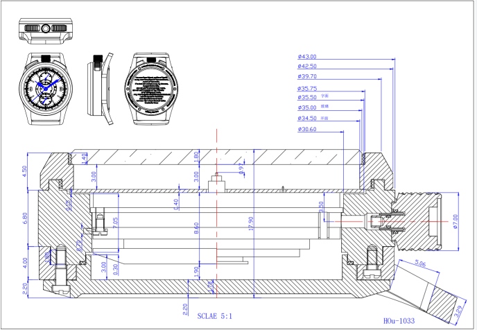
Despite the fact that the watches of that time were quite large, we tried to make the watches wearable and of the optimal size, so the size of the watch turned out to be 43 millimeters. Glass - flat sapphire. Water resistance 100 meters. Swiss super luminova old radium LE luminescent coating. The watch case is bronze, the case back is steel with screws. The watch will be equipped with an automatic chronograph from pts resources (the choice fell on this movement for the reason that the installation of a Swiss caliber would raise the price of the project to the skies, while the installation of a Russian caliber was not considered, since it is quite difficult to find a caliber in good condition, and also do not forget that each mechanism has its own resource). Belt size 22 mm.
The number of copies produced is planned to be 400 pieces.
http://forum.watch.ru/showthread.php?t=559900
-
- VIP
- Posts: 548
- Joined: April 11th, 2018, 1:40 pm
-
Bike lover
Microbrand guru
Animal
Big Wrist Man
5 year veteran
Frequent Flyer
VIP
HF veteran
Amateur writer
Good neighbour
Re: "Millitary Gamble" automatic bronze chronograph
What is the dimension from lug to lug and caseback to top of crystal, please. Looks like 55mm x 19mm to me. Also, is there a lume shot, please. What method is used to waterproof the caseback? The CoE of steel and bronze are...7.2 and 17.5 I believe, so is the caseback floating to prevent it from deforming the case? Last, is there a functioning prototype? The visuals are all CG
Cnacnóo
-John
Cnacnóo
-John
Last edited by Piloten on January 29th, 2021, 6:29 am, edited 1 time in total.
-
- Super Lost Sheep
- Posts: 24
- Joined: January 25th, 2021, 7:11 am
- Location: Russia
Re: "Millitary Gamble" automatic bronze chronograph
52X16
super luminova old radium LE
super luminova old radium LE
-
- VIP
- Posts: 548
- Joined: April 11th, 2018, 1:40 pm
-
Bike lover
Microbrand guru
Animal
Big Wrist Man
5 year veteran
Frequent Flyer
VIP
HF veteran
Amateur writer
Good neighbour
Re: "Millitary Gamble" automatic bronze chronograph
I edited my reply and asked a couple of more questions. It is a good looking watch and good on you for knowing how a telemeter works not many do.
EDIT. That will teach me to look up half remembered stuff. CoE bronze is closer than I remembered. closer to 9,
EDIT. That will teach me to look up half remembered stuff. CoE bronze is closer than I remembered. closer to 9,
- Emilio
- Doom Slayer
- Posts: 8556
- Joined: April 11th, 2018, 3:29 am
- Location: Spain
- Contact:
-
Mini Chat Squatter
I'm hot
Animal
5 year veteran
Frequent Flyer
Moderator
VIP
Prolific poster
HF veteran
Italiano addict
Good neighbour
Re: "Millitary Gamble" automatic bronze chronograph
Hopefully [mention]samurai321[/mention] might be able to answer your questions nowPiloten wrote: ↑January 29th, 2021, 6:33 am I edited my reply and asked a couple of more questions. It is a good looking watch and good on you for knowing how a telemeter works not many do.
EDIT. That will teach me to look up half remembered stuff. CoE bronze is closer than I remembered. closer to 9,

Panerai reference pictures
https://mega.co.nz/#F!8R0FWaoS!IAasZXfb14Z7R1H6CLYp6w
Instagram
http://instagram.com/emisansev
IMGUR Albums
http://homage-forum.com/viewtopic.php?f=8&t=3508
https://mega.co.nz/#F!8R0FWaoS!IAasZXfb14Z7R1H6CLYp6w
http://instagram.com/emisansev
IMGUR Albums
http://homage-forum.com/viewtopic.php?f=8&t=3508
-
- Super Lost Sheep
- Posts: 24
- Joined: January 25th, 2021, 7:11 am
- Location: Russia
Re: "Millitary Gamble" automatic bronze chronograph
I don't speak English very well and use a translator that doesn't always translate correctly. Can you draw what is wrong with the given clock?
-
- VIP
- Posts: 548
- Joined: April 11th, 2018, 1:40 pm
-
Bike lover
Microbrand guru
Animal
Big Wrist Man
5 year veteran
Frequent Flyer
VIP
HF veteran
Amateur writer
Good neighbour
Re: "Millitary Gamble" automatic bronze chronograph
Hi.
I do not know if anything is "wrong".
The heat coefficient of expansion of steel is far smaller than bronze, so a bronze shape will expand and contract further than a steel disc and the steel is stronger, so the steel has a potential to damage the bronze case under heating and cooling. A potential which is fixed by the way the steel caseback is mounted.
A lume shot is a picture of the lume. I love my lume.
Last, is there a physical watch to show off? The pictures look like a computer image. I could be wrong.
I do not know if anything is "wrong".
The heat coefficient of expansion of steel is far smaller than bronze, so a bronze shape will expand and contract further than a steel disc and the steel is stronger, so the steel has a potential to damage the bronze case under heating and cooling. A potential which is fixed by the way the steel caseback is mounted.
A lume shot is a picture of the lume. I love my lume.
Last, is there a physical watch to show off? The pictures look like a computer image. I could be wrong.
-
- Super Lost Sheep
- Posts: 24
- Joined: January 25th, 2021, 7:11 am
- Location: Russia
Re: "Millitary Gamble" automatic bronze chronograph
There is only a project. Now we are working on it.
Are you saying it's better to make the back cover screwable?
Are you saying it's better to make the back cover screwable?
-
- VIP
- Posts: 548
- Joined: April 11th, 2018, 1:40 pm
-
Bike lover
Microbrand guru
Animal
Big Wrist Man
5 year veteran
Frequent Flyer
VIP
HF veteran
Amateur writer
Good neighbour
Re: "Millitary Gamble" automatic bronze chronograph
It sounds like a fun project.
All I am saying is that the bronze will expand and contract more than the steel caseback. In hot or cold weather, there is a possibility that the caseback is stronger and can damage the bronze.
All I am saying is that the bronze will expand and contract more than the steel caseback. In hot or cold weather, there is a possibility that the caseback is stronger and can damage the bronze.
-
- Super Lost Sheep
- Posts: 24
- Joined: January 25th, 2021, 7:11 am
- Location: Russia
Re: "Millitary Gamble" automatic bronze chronograph
I've already made drawings of the watch. I'm making a test sample right now, and I'll show it to you soon!


